SACC-VQ-4CON-0,75-A-VER - Phoenix Contact - 1640799
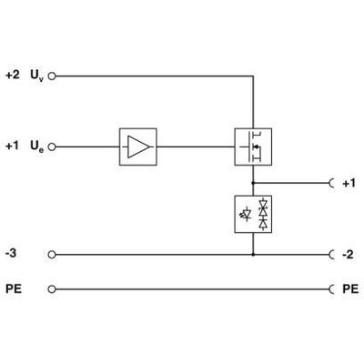
Штекер для датчика / исполнительного элемента, 4 контакта, штекер типа А для электромагнитного клапана, подключение QUICKON, с усилителем мощности и диодом Зенера, сечение проводников от 0,34 до 0,75 мм², с одним вводом для круглого кабеля диаметром от 4 до 7 ммШтекер для датчика / исполнительного элемента, 4 контакта, штекер типа А для электромагнитного клапана, подключение QUICKON, с усилителем мощности и диодом Зенера, сечение проводников от 0,34 до 0,75 мм², с одним вводом для круглого кабеля диаметром от 4 до 7 мм



Отзывы покупателей
Нет отзывов об этом товаре. Ваш отзыв может быть первым!