SAC-2P-M 8MS-CI-1L-Z/.../... - Phoenix Contact - 1405654
Подробное техническое описание SAC-2P-M 8MS-CI-1L-Z/.../... (артикул 1405654) в каталоге Phoenix Contact
«Кабели и штекерные соединители для датчиков / исполнительных элементов 2019/2020»
![]()
![]()
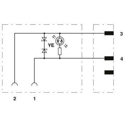
Кабель для датчика / исполнительного элемента, 2 полюса, различные типы кабелей, прямой штекер M8, к штекер для клапана CI (9,4 мм), с одним светодиодом, подключение с помощью диода Зенера, длина кабеля на заказ от 0,2 до 40,0 м.
Оставить отзыв
Эти товары могут быть тоже интересны








Отзывы покупателей
Нет отзывов об этом товаре. Ваш отзыв может быть первым!